1 范围
本标准规定了建设项目档案工作的组织及职责任务,确立了建设项目文件的形成、归档要求与项目档案管理的原则、方法和要求。
本标准适用于新建、改建、扩建和技术改造等建设项目的档案管理。
2 规范性引用文件
下列文件对于本文件的应用是必不可少的。凡是注日期的引用文件,仅注日期的版本适用于本文件。凡是不注日期的引用文件,其最新版本(包括所有的修改单)适用于本文件。
GB/T 10609.3-2009 技术制图复制图的折叠方法
GB/T 11821 照片档案管理规范
GB/T 11822 科学技术档案案卷构成的一般要求
GB/T 18894—2016 电子文件归档与电子档案管理规范
DA/T 12—2012 全宗卷规范
DA/T 15 磁性载体档案管理与保护规范
DA/T 31-2017 纸质档案数字化规范
DA/T 38 电子文件归档光盘技术要求和应用规范
DA/T 50 数码照片归档与管理规范
3 术语和定义
下列术语和定义适用于本文件。
3.1建设项目 construction project
指建筑、安装等形成固定资产的活动中,按照一个总体设计进行施工,独立组成的,在经济上统一核算、行政上有独立组织形式、实行统一管理的单位。
3.2单位工程 unit of project
指具有独立设计文件、可独立组织施工,但建成后不能独立发挥生产能力或工程效益的工程。
3.3分部工程 part of project
指单位工程中按工程的部位、结构形式的不同等划分的工程。
3.4建设单位 project owner
指对项目实施进行组织管理,并在项目建设过程中负总责的组织。
3.5参建单位 project participant
指参与项目建设并承担特定法律责任的所有单位,主要包括勘察、设计、施工、总承包、监理、设备制造、第三方检测等单位。
3.6项目文件 project record
在项目建设全过程中形成的文字、图表、音像、实物等形式的文件材料。
3.7前期文件 record of the prophase
指项目在筹备、立项、招标投标、合同协议、勘察设计、征地拆迁、移民安置及工程准备过程中形成的文件。
3.8施工文件 record of the construction process
指项目施工过程中形成的反映项目建筑、安装情况的文件。
3.9竣工图 as-built drawing
指工程竣工后真实反映工程施工结果的图样。
3.10监理文件 record of the supervision
指工程监理单位在履行建设工程监理合同过程中形成或获取的,以一定形式记录、保存的文件。
3.11竣工验收文件 record of test on completion
指项目竣工验收过程中形成的文件。
3.12项目电子文件 digital project record
在数字设备及环境中生成,以数码形式存储于磁带、磁盘、光盘等载体,依赖计算机等数字设备阅读、处理,记录和反映项目建设和管理各项活动的文件。包括文本电子文件、图像电子文件、图形电子文件、视频电子文件、音频电子文件等。
3.13项目文件归档 filing of the project record
指建设单位工程管理相关部门及参建单位将办理完毕且具有保存价值的项目文件经系统整理交建设单位档案管理机构的过程。
3.14项目档案 project archive
指经过鉴定、整理并归档的项目文件。
3.15项目电子档案 digital project archive
指项目建设过程中产生的、具有保存价值并归档保存的一组有联系电子文件及其相关过程信息的集合。
3.16项目档案移交 transfer of the project archive
指建设单位根据合同、协议或规定将有关项目档案交运行管理单位、项目主管部门或有关档案管理机构的过程。
3.17项目档案管理卷 descriptive file of the project archive
档案管理机构在管理某一项目过程中形成的,包括项目概况、标段划分、参建单位归档情况说明、档案收集整理情况说明、交接清册等说明项目档案管理情况的有关材料组成的专门案卷。
4 总则
4.1 建设单位对项目档案工作负总责,实行统一管理、统一制度、统一标准。业务上接受档案行政管理部门和上级主管部门的监督和指导。
4.2 建设单位与参建单位应加强项目档案管理,配备项目档案工作所需人员、经费、设施设备等各项管理资源。
4.3 项目档案工作应融入项目建设,与项目建设管理同步,纳入项目建设计划、质量保证体系、项目管理程序、合同管理和岗位责任制。
4.4 建设单位及各参建单位应加强项目文件过程管理,通过节点控制强化项目文件管理,实现从项目文件形成、流转到归档管理的全过程控制。
4.5 项目档案应完整、准确、系统、规范和安全,满足项目建设、管理、监督、运行和维护等活动在证据、责任和信息等方面的需要。
5 项目档案工作组织及职责任务
5.1 项目档案工作的组织
5.1.1建设单位应明确项目档案工作的分管领导,设立或明确与项目建设管理相适应的档案管理机构,配备满足项目档案工作需要的档案人员,在项目建设期间应保持档案人员的稳定。
5.1.2项目档案人员应具备档案专业知识和技能,掌握一定的项目管理和相关工程技术专业知识,经过项目档案管理培训。
5.1.3建设单位工程管理相关部门、各参建单位应配备专人或指定人员负责项目文件管理工作,在项目建设期间不得随意更换。
5.1.4建设单位应建立以档案管理机构为核心,工程管理相关部门和参建单位参与的项目档案管理工作网络,并建立沟通协调机制。
5.2 项目档案工作职责任务
5.2.1建设单位
5.2.1.1贯彻执行国家有关项目档案工作的法律、法规和标准规范。根据项目建设管理实际,制定、完善项目文件管理和档案管理的制度、规范、程序,并组织协调工程管理相关部门和参建单位实施。
5.2.1.2与参建单位签订合同、协议时应设立专门章节或条款,明确项目文件管理责任,包括项目文件形成的质量要求、归档范围、归档时间、归档套数、整理标准、介质、格式、费用及违约责任等内容。监理合同条款还应明确监理单位对所监理项目的文件和档案的检查、审查责任。
对参建单位进行合同履约考核时,应对项目文件管理条款的履行情况做出评价,合同款支付审批时应审查项目文件的归档情况,并将项目文件是否按要求管理和归档作为合同款支付的前提条件。
5.2.1.3项目开工前制定项目档案工作方案,对参建单位进行项目文件管理和归档交底。
5.2.1.4建立项目文件管理和归档考核机制,对项目文件的形成、积累和归档情况等进行考核。
5.2.1.5将项目档案信息化纳入项目管理信息化建设,统筹规划、同步实施。
5.2.1.6按档案行政管理部门和主管部门相关规定,进行项目档案管理登记,做好项目档案验收的准备和整改工作。
5.2.2建设单位档案管理机构
5.2.2.1监督、指导本单位工程管理相关部门及参建单位项目文件的形成、收集、整理和归档工作,审查参建单位制定的针对该项目的文件管理和归档制度、规范。
5.2.2.2组织项目管理相关人员和档案人员档案业务培训
5.2.2.8参加项目建设的重要会议、重大活动、阶段性检查验收、竣工验收。
5.2.2.4负责审查项目文件归档的完整性和整理的规范性、系统性。
5.2.2.5负责项目档案的接收、整理、保管、鉴定、统计、利用和移交工作。
5.2.3建设单位工程管理相关部门
5.2.3.1对工程技术文件的规范性提出要求,组织对勘察、设计、监理、施工、总承包、检测、供货等单位归档文件的完整性、准确性、有效性和规范性进行审查。
5.2.3.2对本部门形成的项目文件进行收发、登记、积累和收集、整理、归档。
5.2.3.3机构和人员变动时,应及时清点交接项目文件,办理交接手续。
5.2.4 参建单位
5.2.4.1建立符合建设单位要求的文件管理制度,报建设单位确认。
5.2.4.2负责所承担工程的文件收集、整理和归档工作。
5.2.4.3监理单位负责对所监理项目的归档文件的完整性、准确性、系统性、有效性和规范性进行审查。
5.2.4.4实行总承包的项目,总承包单位负责项目总承包范围内项目文件的收集、整理和归档工作的组织协调。按照5.1、5.2.1、5.2.2、5.2.3的规定,建立总承包范围内的项目档案工作组织,履行项目档案管理职责任务。各分包单位负责其分包部分项目文件的收集、整理,提交总承包单位审核,总承包单位应签署审查意见。
5.2.4.5应配备满足工作需要、符合安全保管要求的设施设备,釆取措施确保项目文件的安全。
6 制度规范建设
6.1建设单位制度规范体系要求
项目开工前,建设单位应遵循相关法律法规、规章制度和标准规范,按照职责明确、流程清晰、措施有效、要求具体的原则,建立覆盖项目各类文件、档案的管理制度和业务规范体系。
6.2项目文件管理业务规范内容
项目文件管理业务规范中应包含但不限于以下内容:
a) 项目文件管理流程、文件格式、编号、归档要求等;
b) 竣工图的编制单位、编制要求、审查流程和责任等;
c) 照片和音视频文件摄录的责任主体、阶段、节点、部位、内容、技术参数、归档要求等。
6.3档案管理业务规范内容
建设单位档案管理业务规范中应包含但不限于以下内容:
a) 项目档案管理办法;
b) 档案分类方案;
c) 归档范围和档案保管期限表;
d) 整理编目细则。
6.4纳入项目管理制度规范
建设单位在项目管理相关制度、规范中应提出档案管理的要求。
6.5参建单位制度规范体系要求
参建单位项目部应制定与建设单位的要求相适应的项目文件管理制度和业务规范。
6.6修订完善要求
建设单位和参建单位应适时对管理制度和业务规范进行修订完善。
7 项目文件管理
7.1项目文件形成
7.1.1项目前期文件、管理性文件应符合国家有关法律法规、相关行业的规定;工程技术文件应符合国家、行业有关技术规范和标准的规定。
7.1.2重要活动及事件、原始地形地貌、建设过程中的工程形象进度、隐蔽工程、关键节点工序、重要部位、地质及施工缺陷处理、工程质量、安全事故、重要芯样等应形成照片和音视频文件。
7.1.3项目文件应格式规范、内容准确、清晰整洁、编号规范、签字及盖章手续完备并满足耐久性要求。
7.1.4归档的项目文件应为原件。因故用复制件归档时,应加盖复制件提供单位的公章或档案证明章,确保与原件一致。
7.2竣工图编制
7.2.1竣工图的编制要求
7.2.1.1工程竣工时应编制竣工图,竣工图一般由施工单位负责编制。
7.2.1.2竣工图应完整、准确、规范、清晰、修改到位,真实反映项目竣工时的实际情况。
7.2.1.3应将设计变更、工程联系单、技术核定单、洽商单、材料变更、会议纪要、备忘录、施工及质检记录等涉及变更的全部文件汇总后经监理审核,作为竣工图编制的依据。
7.2.1.4竣工图应依据工程技术规范按单位工程、分部工程、专业编制,并配有竣工图编制说明和图纸目录。
竣工图编制说明的内容应包括:竣工图涉及的工程概况、编制单位、编制人员、编制时间、编制依据、 编制方法、变更情况、竣工图张数和套数等。
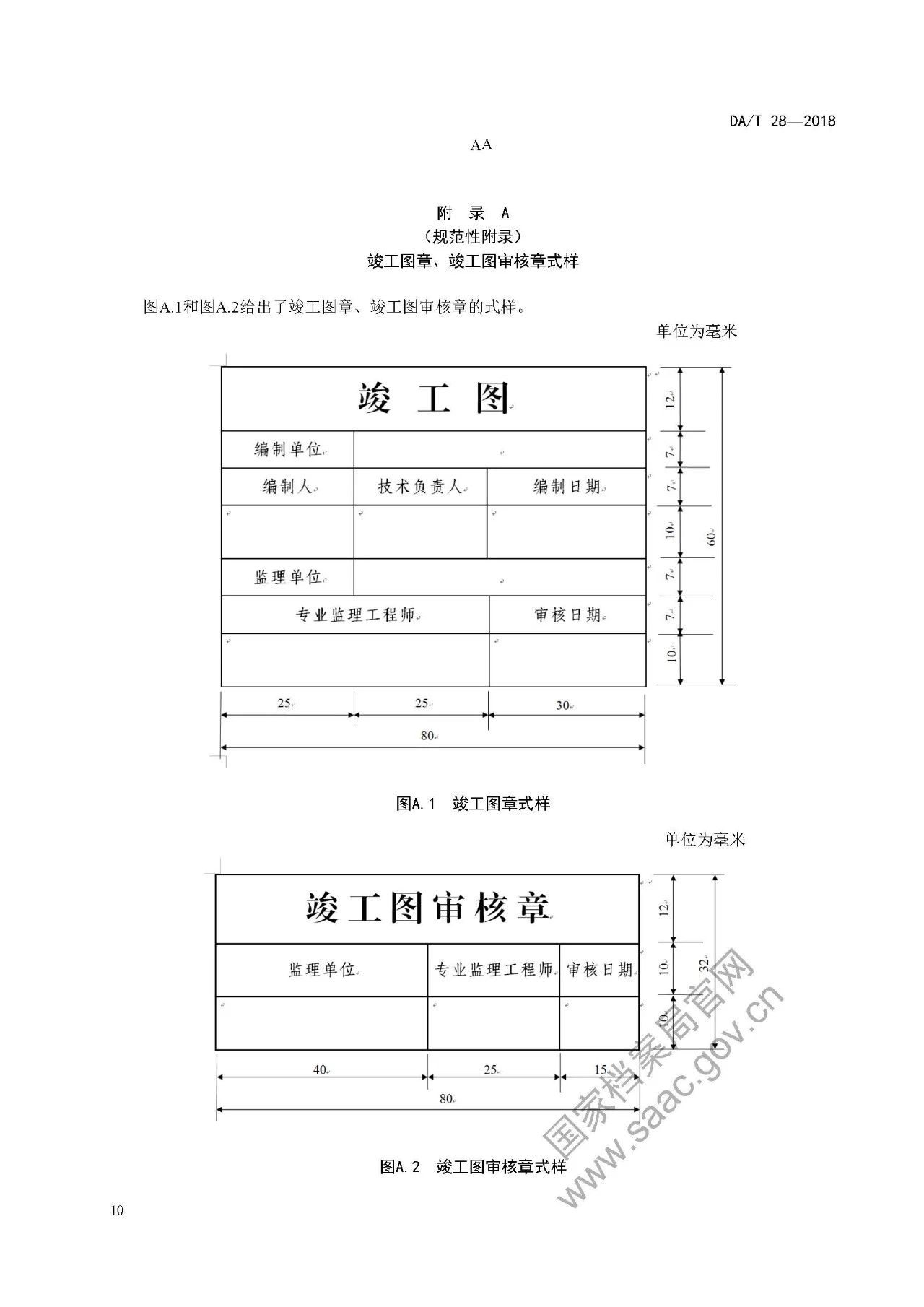
7.2.1.5按施工图施工没有变更的,由竣工图编制单位在施工图上逐张加盖并签署竣工图章(见附录A图A.1)。
7.2.1.6凡一般性图纸变更且能在原施工图上修改补充的,可直接在原图上修改,并加盖竣工图章。在修改处应注明修改依据文件的名称、编号和条款号,无法用图形、数据表达清楚的,应在图框内用文字说明。
7.2.1.7有下述情形之一时应重新绘制竣工图:
a) 涉及结构形式、工艺、平面布置、项目等重大改变;
b) 图面变更面积超过20%;
c) 合同约定对所有变更均需重绘或变更面积超过合同约定比例。
重新绘制竣工图应按原图编号,图号末尾加注“竣”字,或在新图标题栏内注明“竣工阶段”。重新绘制竣工图图幅、比例、字号、字体应与原图一致。
7.2.1.8施工单位重新绘制的竣工图,标题栏应包含施工单位名称、图纸名称、编制人、审核人、图号、比例尺、编制日期等标识项,并逐张加盖监理单位相关责任人审核签字的竣工图审核章。
7.2.1.9行业规定设计单位编制或建设单位、施工单位委托设计单位编制竣工图,应在竣工图编制说 明、图纸目录和竣工图上逐张加盖并签署竣工图审核章。
7.2.1.10同一建筑物、构筑物重复的标准图、通用图可不编入竣工图中,但应在图纸目录中列出图号, 指明该图所在位置并在竣工图编制说明中注明;不同建筑物、构筑物应分别编制竣工图。
7.2.1.11建设单位应负责组织或委托有资质的单位编制项目总平面图和综合管线竣工图。
7.2.1.12用施工图编制竣工图的,应使用新图纸,不得使用复印的白图编制竣工图。
7.2.1.13竣工图章、竣工图审核章应使用红色印泥,盖在标题栏附近空白处。
7.2.1.14 竣工图应按GB/T 1O6O9.3—2OO9的规定统一折叠。
7.2.2竣工图的审核和签署
7.2.2.1竣工图编制完成后,监理单位应对竣工图编制的完整、准确、系统和规范情况进行审核。
7.2.2.2竣工图章、竣工图审核章中的内容应填写齐全、清楚,应由相关责任人签字,不得代签;经建设单位同意,可盖执业资格印章代替签字。
7.22.3涉外项目,外方提供的竣工图应由外方相关责任人签字确认。
7.2.3竣工图套数
7.2.3.1竣工图套数应满足项目建设单位、运行管理单位、有关部门或项目主管单位的需要。
7.2.3.2竣工图套数应符合合同条款约定和有关规定执行。
7.3项目文件的收集与整理
7.3.1收集
7.3.1.1项目建设过程中形成的、具有查考利用价值的各种形式和载体的项目文件均应收集齐全。
7.3.1.2建设单位应依据附录B的归档范围和保管期限表,结合项目建设内容、行业特点、管理模式等特征制定符合项目实际的归档范围和保管期限表。
7.3.1.3项目文件在办理完毕后应及时收集,并实行预立卷制度
7.3.2 整理
7.3.2.1项目文件应由文件形成单位或部门进行整理。整理工作包括项目文件价值鉴定、分类、组卷、 排列、编目、装订等内容。
7.3.2.2项目文件整理应遵循项目文件的形成规律和成套性特点,保持卷内文件的有机联系,分类科学,组卷合理,便于保管和利用。
7.3.2.3项目文件应依据归档范围进行鉴定,确定其是否归档。
7.3.2.4项目文件应按照形成阶段、专业、内容等特征进行分类。
7.3.2.5项目文件组卷。
项目前期文件、项目管理文件按事由结合时间顺序组卷,其中招标投标、合同文件按招标的标段、合同组卷,勘察设计文件按阶段、专业组卷;施工技术文件按单位工程、分部工程或装置、阶段、结构、专业组卷;信息系统开发文件按应用系统组卷;设备文件按专业、系统、台套组卷;监理(监造)文件按监理(监造)的合同标段、事由结合文种组卷;科研项目文件按科研项目(课题)组卷;生产准备、试运行、竣工验收文件按工程阶段、事由结合时间顺序组卷。
卷内文件一般印件在前,定稿在后;正件在前,附件在后;复文在前,来文在后;文字在前,图样在后。
7.3.2.6项目案卷排列。
项目前期文件、项目管理性文件按主题、事由排列;施工文件按综合管理、施工技术支撑、施工(安装)记录、检测试验、评定验收排列;信息系统开发文件按需求、设计、实施、测试、运行、验收排列;设备文件按质量证明、开箱验收、随机文件、安装调试、检测试验和运行维修排列;监理(监造)文件按依据性、工作性文件顺序排列;科研项目文件按开题、方案论证、研究实验、阶段成果、结题验收排列;生产准备、试运行、竣工验收文件按主题、事由排列。
7.3.2.7案卷编目、案卷装订、卷盒、表格规格及制成材料应符合GB/T 11822的规定。釆用整卷装订的案卷,应对卷内文件连续编页号。
7.3.2.8纸质照片的整理应符合GB/T 11821的规定;数码照片可参照DA/T 50的规定。
7.3.2.9录音带、录像带等磁性载体文件的整理应符合DA/T 15的规定。
7.3.2.10实物档案依据分类方案按件进行整理。芯样的整理应符合行业规范规定。
7.4归档
7.4.1项目文件应及时归档。前期文件在相关工作结束时归档;管理性文件宜按年度归档,同一事由产生的跨年度文件应在办结年度归档;施工文件应在项目完工验收后归档,建设周期长的项目可分阶段或按单位工程、分部工程归档;信息系统开发文件应在系统验收后归档;监理(监造)文件应在监理(监造)的项目完工验收后归档;科研项目文件应在结题验收后归档;生产准备、试运行文件应在试运行结束时归档;竣工验收文件在验收通过后归档。
7.4.2归档文件质量应符合7.1和7.2的相关规定。
7.4.3施工文件组卷完毕经施工单位自查后(实行总承包的项目,分包单位应先提交总承包单位进行审查),依次由监理单位、建设单位工程管理部门、建设单位档案管理机构进行审查;信息系统文件组卷完毕后提交监理单位、建设单位信息化管理部门、档案管理机构进行审查;监理文件和第三方检测文件组卷完毕并自查后,依次由建设单位工程管理部门和档案管理机构进行审查。每个审查环节均应形成记录和整改闭环。
7.4.4建设单位各部门形成的文件组卷完毕,经部门负责人审查合格后,提交档案管理机构归档。
7.4.5归档单位(部门)应按建设单位档案管理机构要求,编制交接清册(含交接手续、档案数量、案卷目录),双方清点无误后交接归档。
8 项目档案管理8.1项目档案整理
8.1.1建设单位应结合有关规定、行业特点和项目实际来制定项目档案分类方案。档案分类方案应符合逻辑性、实用性、可扩展性的原则并保持相对稳定。
8.1.2建设单位档案机构依据项目档案分类方案对全部项目档案进行统一汇总整理和排列上架。记录工程部位的音像档案,宜与该单位工程的纸质档案统一编号,与其他音像档案集中存放保管。
8.1.3建设单位档案机构应编制项目档案案卷目录,并参照DA/T 12的规定建立项目档案管理卷。
8.2项目档案的鉴定
8.2.1建设单位档案机构应依据保管期限表对档案进行价值鉴定,确定其保管期限,同一卷内有不同保管期限的文件时,该卷保管期限应从长。
8.2.2项目档案保管期限分为永久和定期两种,定期一般分为30年和10年。
8.3项目档案的保管
8.3.1建设单位和参建单位应为项目档案的安全保管提供必要的设施设备,确保档案安全。
8.3.2建设单位档案库房应符合防火、防盗、防水、防潮、防高温、防紫外线照射、防尘、防有害生物(霉、 虫、鼠)的要求。档案管理机构应建立档案库房管理制度,加强日常库房管理。
8.4项目档案的利用
8.4.1建设单位应建立档案利用制度,对利用的范围、对象、审批办法等做出规定。
8.4.2利用档案原件一般在阅览室查阅,并反馈利用效果。
8.4.3建设单位档案管理机构应根据项目建设和运行管理的需要编制必要的编研材料,如专题文件汇编、项目大事记、常用图集、专题研究等。
8.5项目档案的统计
建设单位档案管理机构应对档案接收、保管、利用等情况进行统计并建立统计台账。
9 项目电子文件归档与电子档案管理
9.1项目电子文件的归档
9.1.1项目管理信息系统应具备电子文件管理及归档功能,并能够对项目电子文件形成与流转实施有效控制,保障其真实、完整和安全;能够在形成、流转过程中及时跟踪、检查和补充与项目设计、设备、材料、施工等变更相关的项目电子文件及其元数据。
9.1.2建设单位应根据纸质文件归档范围,结合项目实际情况,确定项目电子文件归档范围。
9.1.3项目电子文件形成部门负责电子文件的归档工作;档案管理机构负责项目电子文件归档的指导、协调和电子档案接收、保管、利用等工作。
9.1.4项目电子文件在办理完毕后,应当按照归档要求实时收集完整;项目电子文件整理时,应当按照项目档案分类方案并参照7.3.2.5的规定分别组成多层级文件信息包,文件信息包应包含项目电子文件及过程信息、版本信息、背景信息等元数据。
9.1.5项目电子文件归档一般采用物理归档。纸质项目文件归档时可釆取在线归档或离线归档的方式向档案管理机构移交经过整理的项目电子文件,并在内容、格式、相关说明及描述上与纸质项目档案保持一致,且二者应建立关联。
9.1.6项目电子文件应釆用符合国家标准或能够转换成符合国家标准的文件格式,利于信息共享和长期保存。项目电子文件归档保存的文件格式应符合国家规定的电子档案长期保存的格式要求。
9.1.7项目电子文件完成整理后,由形成部门负责对文件信息包进行鉴定和检测,包括内容是否齐全完整、格式是否符合要求、与纸质或其他载体文件内容的一致性等。
9.1.8项目电子文件信息包经过形成部门鉴定和检测后,由相关责任人确认归档,赋予归档标识。归档标识中应当含有归档责任人、归档时间、文件信息包名称等信息。
9.1.9釆取离线方式归档时,应将带有归档标识的电子文件拷贝至耐久性好的存储介质上,存储介质应设置成禁止写入的状态。存储介质的选择依次为光盘、磁带、硬磁盘等。
9.1.10存储电子档案的介质或装具上应贴有标签,标签上应注明载体序号、类别号、案卷起止号、密级、保管期限、存入日期等。存储介质为光盘的,归档标签应符合DA/T 38的规定。
9.1.11项目电子文件归档时应由档案管理机构进行检验,并填写《电子文件归档登记表》(格式参见GB/T 18894),检验合格后,办理交接手续。
9.1.12图像电子文件、视频电子文件应主题突出、曝光准确、影像清晰。图像电子文件分辨率应达到300 dpi以上,视频电子文件宜采用200万以上像素拍摄。
9.1.13对反映同一内容的数码照片应选择有代表性的输出纸质照片。所选数码照片应主题鲜明,影像清晰、完整。
9.2项目电子档案管理
9.2.1项目电子档案可参照纸质档案的分类方案进行整理。
9.2.2项目电子档案的保管、有效性保证、鉴定和利用应符合GB/T 18894的规定。
9.2.3建设单位应建立项目电子档案管理系统,管理项目全部电子档案,系统应具备接收登记、分类组织、鉴定处置、权限控制、检索利用、安全备份、统计打印、移交输出、系统管理等基本功能。
9.2.4接入内部网的项目档案信息管理系统,应建立操作日志,通过身份认证、访问控制、信息完整性校验、防火墙、入侵检测等技术手段和管理方法确保档案数据得到有效保护,防止因偶然或恶意的原因使网络数据遭到破坏、更改、泄露,杜绝网络系统上的信息丢失、篡改、失泄密、系统破坏等事故的发生。
9.2.5项目电子档案保存实行备份制度,重要电子档案应当异地异质备份。
9.2.6在计算机软、硬件系统更新前或数据格式淘汰前,档案管理机构应将项目电子档案迁移到新的系统或进行格式转换,保证其真实、完整和在新环境中完全兼容。
9.2.7项目电子档案失去保存价值后,应在履行销毁审批手续后,釆取有效技术措施进行信息清除工作。属于保密范围的电子档案,其销毁应按国家保密法规实施。
9.3项目档案数字化
9.3.1数字化范围根据实际情况,可包含但不限于以下内容:项目立项、勘察设计、征地移民、合同协议、项目管理文件,重要隐蔽工程验收、缺陷处理文件、竣工图、单位工程验收、合同验收、竣工验收文件, 重要设备文件等。
9.3.2委托第三方进行数字化加工的建设项目,委托单位应与数字化加工单位签订保密协议,明确保密要求、责任及失泄密的处置措施。釆取建立安防系统、加强数字化存储设备管理和数字化人员管理等措施,确保档案信息安全。
9.3.3档案扫描、图像处理、图像存储、目录建库、数据挂接等应符合DA/T 31的规定。
10 项目档案移交10.1移交要求
竣工验收后,建设单位应按有关规定向运行管理单位及其他有关单位办理档案移交。
10.2移交手续
项目档案移交时,应办理项目档案移交手续,包括档案移交的内容、数量、图纸张数等,并有完备的清册、签字等交接手续。
10.3电子档案移交
项目电子档案的移交参照《电子档案移交与接收办法》的有关规定执行。
10.4停、缓建移交
停、缓建的项目,其档案由建设单位负责保存;建设单位撤销的,项目档案应向项目主管部门或有关档案机构移交。






